Relé electromagnético 48VAC DPDT 8A/250VAC RT2. Mod. 7-1393243-7

https://www.ecobadajoz.es/web/image/product.template/44483/image_1920?unique=e2b7a7d

9,98 € 9.98 EUR 9,98 €

8,26 €

Not Available For Sale

    Esta combinación no existe.

    Términos y condiciones
    Garantía de devolución de 14 días
    Envío: 2-3 días laborales

    Especificaciones:

    Fabricante

    TE Connectivity

    Tipo de relé

    electromagnético
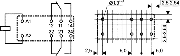
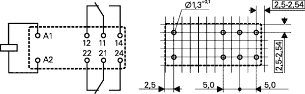
    Configuración de contactos

    DPDT

    Tensión nominal de inductor

    48V AC

    Corriente máx. de contactos

    8A
    Capacidad de carga de contactos AC @R(a carga resistiva)

    8A / 250V AC
    Capacidad de carga de contactos DC @R(a carga resistiva)

    8A / 30V CC

    Serie de fabricante

    RT2

    Tensión conectada

    max. 300V DC, max. 400V AC

    Versión de relé

    miniatura, monoestable

    Montaje

    PCB

    Tensión mín. de inductor

    36V AC

    Tiempo de funcionamiento

    8ms

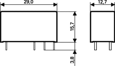
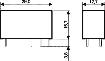
    Medidas interiores

    29x12,7x15,7mm

    Tiempo de apagado

    6ms

    Clase de impermeabilidad

    IP40

    Temperatura de trabajo

    -40...70°C

    Material de contactor

    AgNi 90/10

    Ráster de terminales

    5mm

    Artículos relacionados

    RT17017, RT17040, RT78726

    Altura

    15,7mm

    Número de pines

    8

    Toma de potencia del inductor

    0,75VA